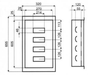
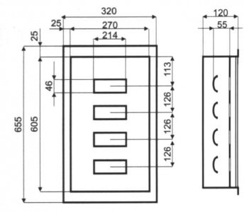
Щит распределительный ЩРВ-48-з
-
Дополнительные
услуги -
Варианты
оплаты -
Гарантия
производителя -
Товар
сертифицирован -
Доставка по России
или самовывоз
В комплектацию ЩРВ-48-з входит: шина заземления РЕ 185 (2 шт), изолятор угловой (2 шт), комплект наклеек, комплект крепежа для шин, комплект прямоугольных заглушек (12 шт) и провод заземления.
Стоит посмотреть





